产品中心

PRODUCT

产品中心

FZN25型户内真空负荷开关

如果您有任何问题可以联系我们!
联系我们

电话:13587791266

扫一扫,加我为朋友
  • 详细信息
详细信息
FZN25型户内真空负荷开关
 

产品介绍
 

FZN25-12系列户内高压负荷开关及熔断器组合器

◎概述
主要用途FZN25-12D/T630-20真空负荷开关和FZN25-12F,R组合电器主要用于10KV三相交流50Hz,环网或终端的供电的市区配电站和工业用电设备中,作负荷控制和短路保护用,由于组合电器对变压器等设备的保护使用比断路器更可靠,特别适用于环网,比辐射供电单元和箱式变电站。
◎主要技术参数
序号
18项目
单位
FN25-12D/1630-20
FN25-12D/630-31.5
1
额定电压
KV
12
2
额定频率
HZ
50
?
3
额定电流
A
630
100
4
 
 
额定绝
缘水平
1min 工频耐受电压
 
KA
 
雷电冲击耐受电压(峰值)
 
5
4s热稳定电
KA
20
6
额定动稳定电流(峰值)
KA
50
7
额定有功负载开断电流A
A
630
630
8
额定闭环开断电流A
A
630
630
9
额定电缆充电开断电流A
A
10
10
10
额定转移电流A
A
 
200
11
额定开断空载变压器容量
KV/A
1250
12
额定短路开断电流
KA
 
31.5
13
额定短路关合电流(峰值)
KA
50
80(预期值)
14
接地开关额定热稳定电流
KA
20
20
15
接地开关额定动稳定电流(峰值)
KA
50
 
50
16
分合闸操作电源额定电
KA
DC220,110 AC220,110
17
机械寿命(负荷开关/接地地开头)
KA
10000/2000
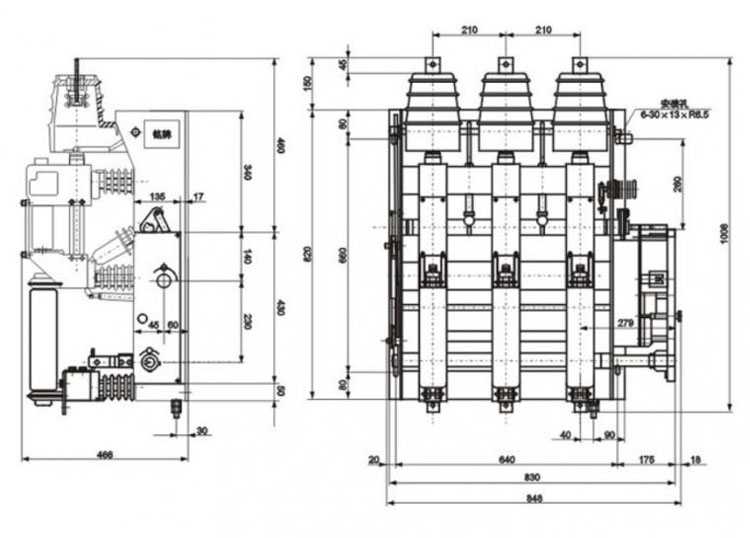
◎外形安装尺寸


相关产品
联系我们
扫一扫,加我为朋友
© 浙江诺欣电气有限公司   浙ICP备14019375号   XML   网站地图   网站制作维护:传信网络

在线
QQ

微信
咨询

扫一扫,加我为朋友
扫一扫,加我为朋友

服务
热线

13587791266
服务热线

客服
邮箱

2514967455@qq.com
客服邮箱